
Groefwiel 160x31 mm met V groef 10 mm - 700 kg
Toon alle:
Groefwielen | Kabelschijven,Met V groef
Beschrijving
Gelagerd groefwiel 160 mm staal met V groef - 700 kg (kabelschijf)
Groefwiel van staal (verzinkt) met 1 kogellager.
De groefwielen hebben een V-groef en een as.
Korting vanaf 12 stuks, zie staffelprijzen of neem contact op voor een offerte.
Lees meer
Specificaties
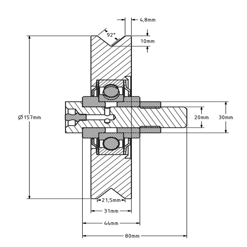
- Artikelnummer: 177.326
- Wieldiameter: 160 mm
- Wielbreedte: 31 mm
- Asgatdiameter: 20 mm
- Groef: 92 Gr.
- As: M20 x 80 mm
- Naaflengte: 44 mm
- Groefdiepte: 10 mm
- Draagvermogen: 700 kg
- Type wiel: Groefwiel / kabelschijf
- Type lager: 6204 2RS
- Materiaal: Staal, verzinkt
- Groef type: V-groef
Toon alle
Specificaties
- Artikelnummer: 177.326
- Wieldiameter: 160 mm
- Wielbreedte: 31 mm
- Asgatdiameter: 20 mm
- Groef: 92 Gr.
- As: M20 x 80 mm
- Naaflengte: 44 mm
- Groefdiepte: 10 mm
- Draagvermogen: 700 kg
- Type wiel: Groefwiel / kabelschijf
- Type lager: 6204 2RS
- Materiaal: Staal, verzinkt
- Groef type: V-groef
Toon alle
Vergelijk
Heeft u een vraag?









