
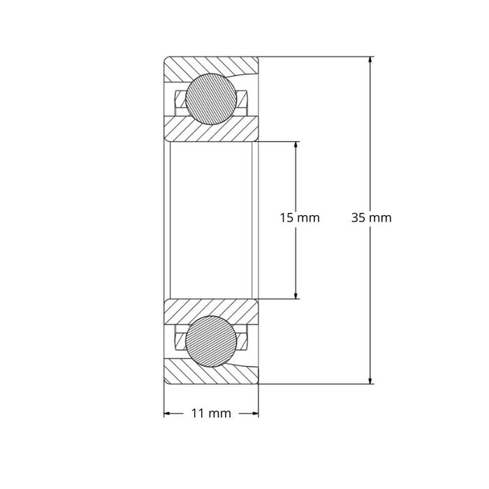
7202 B 2RS TN - IBB eenrijig hoekcontactkogellager (15x35x11)
Het hoekcontact kogellager 7202 B 2RS TN - IBB is een eenrijig lager met een binnendiameter van 15 mm, een buitendiameter van 35 mm en een breedte van 11 mm. Het lager heeft een tweezijdige rubberafdichting (2RS), wat zorgt voor bescherming tegen vuil en vocht, waardoor de levensduur en prestaties worden verbeterd. De lagerspeling is CN, wat staat voor normale speling. Dit betekent dat het lager een standaard speling heeft, wat geschikt is voor de meeste toepassingen.
IBB 7202 B 2RS TN Hoekcontact Kogellager
IBB is een merk dat bekend staat om zijn betrouwbare kwaliteit en biedt een goede balans tussen prestaties en kosten. Dit maakt het merk geschikt voor standaard industriële toepassingen zoals pompen, compressoren en motoren. Geproduceerd volgens Europese standaarden, levert IBB een betrouwbaar industrieel product.
Voor OEM-klanten, terugkerende aantallen of eenmalige grote projecten geven wij korting. Neem contact met ons op voor meer informatie.
- Artikelnummer: 995.01039
- Merk: IBB
- Asdiameter: 15 mm
- Buitendiameter: 35 mm
- Breedte: 11 mm
- Type: 7202 B 2RS TN
- Soort: Eenrijig hoekcontactlager
- Afdichting: 2RS = Tweezijdige rubberafdichting
- Lagerspeling: CN - Normaal
- Gewicht: 0.048 kg
- Artikelnummer: 995.01039
- Merk: IBB
- Asdiameter: 15 mm
- Buitendiameter: 35 mm
- Breedte: 11 mm
- Type: 7202 B 2RS TN
- Soort: Eenrijig hoekcontactlager
- Afdichting: 2RS = Tweezijdige rubberafdichting
- Lagerspeling: CN - Normaal
- Gewicht: 0.048 kg











